010-13520102253
admin@bjimvel.com

XW01导航计算机系统

类型:导航计算机
型号:XW 01
产品详情

产品简介

导航计算机基本架构为Cortex-M7+Artix-7架构,主要负责导航解算。其中核心计算组件(Cortex-M7)进行核心算法计算,逻辑处理组件(Artix-7)负责通信、交互与外部控制。

主要特性

加速度计

l ARM + FPGA双核架构

l 7路可编程串口(可按需扩展),多路IO

l 18B20温度采集

l 0-5V模拟量采集

l 外设资源丰富,可扩展性强

l 软件IAP升级

产品应用

l 低动态无人车

l 小型低动态无人机

l 平台稳定和瞄准

l 低动态姿态监控

l 组合导航系统

性能指标

功能

描述

参数

脉冲捕获

捕获外部5V电平

输出信号频率、脉宽信息

数字量温度采集

读取18B20温度

4路数字温度采集

模拟量温度采集

通过AD7606读取温度

3路模拟量温度采集

模拟量信号采集

通过AD7606读取电压

5路模拟量温度采集

串口通信

RS-422接口

7路FPGA串口+2路ARM串口

板载MEMS惯导

内含3轴加速度计、3轴陀螺仪,量程可设置,最大可达2000°/s、16g。

LSM6DS3HTR

输入电压(DC V)

5V


工作电流(A)

0.3@DC 5V(25℃)


接口类型

J30V2


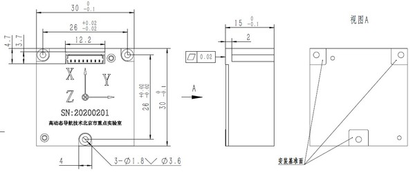
尺寸(mm)



重量(mm)



机械尺寸

XW01导航计算机系统 机械尺寸.jpg

联系我们
手机号码:010-13520102253
联系邮箱:kewei.su@cgu.edu
办公地址:北京市海淀区小营东路12号